销售热线:18925949198
电 话:13630156567
业务传真(Fax):+86-0757-86636911
售后服务(A S S):18925949198
邮箱:populajy@163.com
发布时间:2020-01-07


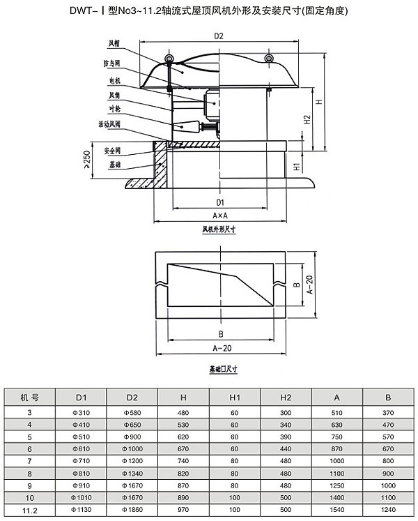
DWT-I/DWT-II型玻璃钢屋顶风机用途:
玻璃钢屋顶轴流风机适用于大型车房、车间、仓库、体育馆、影剧院等场所通风换气,具有优良的防腐蚀性能,低噪声、运转可靠、不需要安装通风管道,拆装维护方便。本机风量大,压力较II型离心式低,适用介质温度-20℃~60℃。所输送气体不允许有过量粘性物质,含尘量≤150mg/m3。
玻璃钢屋顶风机结构形式及特点:DWT-I玻璃钢屋顶轴流风机主要由叶轮,机壳,电动机等组成。支架由型材制成和风筒连接。
(一)叶轮部:由叶片和叶毂组成,均采用玻璃钢制成。
(二)机壳部:由风筒,风帽,支架组成,均采用玻璃钢制成。
(三)电机部:采用防腐轴流风机专用卧式电机,机身表面喷涂防腐漆。
2.玻璃钢屋顶轴流风机该系列风机气动效率高,噪声低,防蚀性强。
3.适用的介质温度范围:-20℃-60℃,介质相对湿度≤100%,,含尘量≤100mg/m3。