佛山市南海区华诺宇机电设备商行
服务热线:13630156567
新闻资讯 Product display
销售热线 Pales Hot Line

销售热线:18925949198

电    话:13630156567

业务传真(Fax):+86-0757-86636911

售后服务(A S S):18925949198

邮箱:populajy@163.com

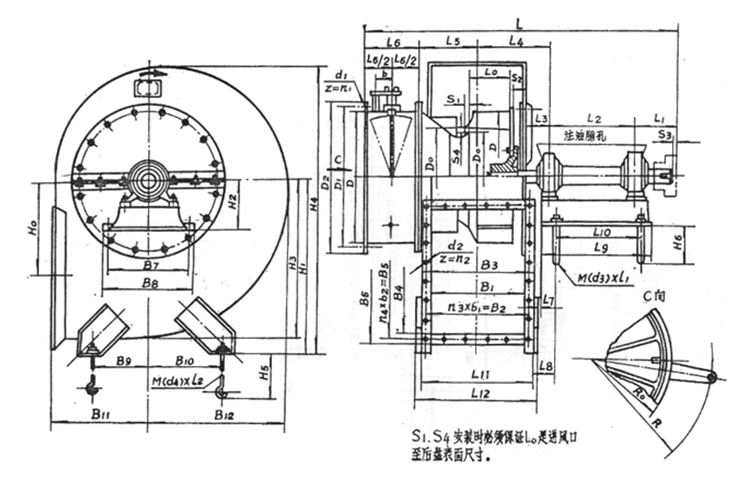
Y5-47系列锅炉离心通风机外形安装尺寸图

发布时间:2020-01-07

Y5-47系列锅炉离心通风机

外形安装尺寸图: